Física I ⇒ EStática
Jul 2008
30
16:09
EStática
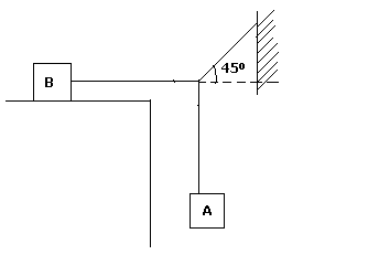
A7) O sistema a seguir está em equilíbrio. Os pesos dos corpos A e B são, respectivamente, iguais a 10 N e 40 N. Sabe-se que o corpo B está na inmência de escorregar. Determine o coeficiente de atrito 'mi" entre o corpo B e o plano horizontal de apoio.
Editado pela última vez por bruno65 em 30 Jul 2008, 16:09, em um total de 1 vez.
- J Francisco Offline
- Mensagens: 51
- Registrado em: 11 Fev 2008, 23:29
- Localização: Estiva MG
- Contato:
Ago 2008
09
11:37
Re: EStática
mi = 10/40 = 0,25 ?
s.m.j
A vida exige que devemos aprender sempre e nunca é tarde para recomeçar.
A vida exige que devemos aprender sempre e nunca é tarde para recomeçar.
Ago 2008
09
12:24
Re: EStática
´Sim meu caro amigo mais se vc naum sabe vc tah num fórum de fisica e que eu saiba agnte vem aqui pra discutir física e naum pra fikar joganu conversa fora sobre a vida que vc mesmo vem a me falar ... axo que é por isso que na vida existe tanta violencia pq as pessoas naum respeitam o espaço delas e portanto, se ese espaço é pra discutir fisica ese naum é o seu lugar... ok? Fika na paz e que deus te abençoe...
- J Francisco Offline
- Mensagens: 51
- Registrado em: 11 Fev 2008, 23:29
- Localização: Estiva MG
- Contato:
Ago 2008
09
14:45
Re: EStática
Então vamos lá.
Como o sistema está em equilíbrio temos que:
Somatório das forças horizontais igual a zero. ------------> T2 = T1X
Somatório das forças verticias igual a zero.---------------> T1Y = PA --------> T1Y = 10N
* Aqui não é nem preciso analisar os momentos.
Como o ângulo é igual a 45º as componentes de T1 são iguais (quem não sabe sen45º=cos45º), então T1X = 10N.
e sendo T2 = T1X ------------> T2 = 10N.
Agora analisando o bloco B e as condições do equilíbrio temos que Fat = T2.
Como Fat = (mi).N, e a normal N = PB, teremos: (mi).PB = T2 ---------> (mi) = T2/PB, e PB = 40N.
Assim:
(mi) = 10/40 -------------> (mi) = 0,25
Qualquer dúvida é só perguntar.
Como o sistema está em equilíbrio temos que:
Somatório das forças horizontais igual a zero. ------------> T2 = T1X
Somatório das forças verticias igual a zero.---------------> T1Y = PA --------> T1Y = 10N
* Aqui não é nem preciso analisar os momentos.
Como o ângulo é igual a 45º as componentes de T1 são iguais (quem não sabe sen45º=cos45º), então T1X = 10N.
e sendo T2 = T1X ------------> T2 = 10N.
Agora analisando o bloco B e as condições do equilíbrio temos que Fat = T2.
Como Fat = (mi).N, e a normal N = PB, teremos: (mi).PB = T2 ---------> (mi) = T2/PB, e PB = 40N.
Assim:
(mi) = 10/40 -------------> (mi) = 0,25
Qualquer dúvida é só perguntar.
- Anexos
-
- DIAGRAMA DE FORÇAS
- fafa2.GIF (2.74 KiB) Exibido 2266 vezes
s.m.j
A vida exige que devemos aprender sempre e nunca é tarde para recomeçar.
A vida exige que devemos aprender sempre e nunca é tarde para recomeçar.
-
- Tópicos Semelhantes
- Resp.
- Exibições
- Últ. msg
-
- 5 Resp.
- 3646 Exibições
-
Últ. msg por leozinho
-
- 1 Resp.
- 6893 Exibições
-
Últ. msg por Alexandre_SC
-
- 2 Resp.
- 8445 Exibições
-
Últ. msg por J Francisco
-
- 6 Resp.
- 3927 Exibições
-
Últ. msg por J Francisco
![🔴 [ENEM 2025 PPL Live 03] Matemática - Resolução de 146 até 150](/cdn-cgi/image/width=200,dpr=2,quality=85,format=auto,metadata=none,onerror=redirect/https://img.youtube.com/vi/fD8ohgS6JKo/mqdefault.jpg)
![🔴 [ENEM 2025 PPL Live 02] Matemática - Resolução de 141 até 145](/cdn-cgi/image/width=200,dpr=2,quality=85,format=auto,metadata=none,onerror=redirect/https://img.youtube.com/vi/np7jAEKAjTE/mqdefault.jpg)
![🔴 [ENEM 2025 PPL Live 01] Matemática - Resolução de 136 até 140](/cdn-cgi/image/width=200,dpr=2,quality=85,format=auto,metadata=none,onerror=redirect/https://img.youtube.com/vi/vb1b6e7VXjw/mqdefault.jpg)
![🔴 [ENEM 2025 Belém Live 09] Matemática - Resolução de 176 até 180](/cdn-cgi/image/width=200,dpr=2,quality=85,format=auto,metadata=none,onerror=redirect/https://img.youtube.com/vi/krrZ-ei9zSY/mqdefault.jpg)
![🔴 [ENEM 2025 Belém Live 08] Matemática - Resolução de 171 até 175](/cdn-cgi/image/width=200,dpr=2,quality=85,format=auto,metadata=none,onerror=redirect/https://img.youtube.com/vi/MvNi78z2R8o/mqdefault.jpg)
![🔴 [ENEM 2025 Belém Live 07] Matemática - Resolução de 166 até 170](/cdn-cgi/image/width=200,dpr=2,quality=85,format=auto,metadata=none,onerror=redirect/https://img.youtube.com/vi/X_1EIDOwGVg/mqdefault.jpg)