Bloqueador de anúncios detectado: Nosso site é possível exibindo anúncios online para nossos visitantes. Por favor, considere nos apoiar desativando seu bloqueador de anúncios em nosso site.
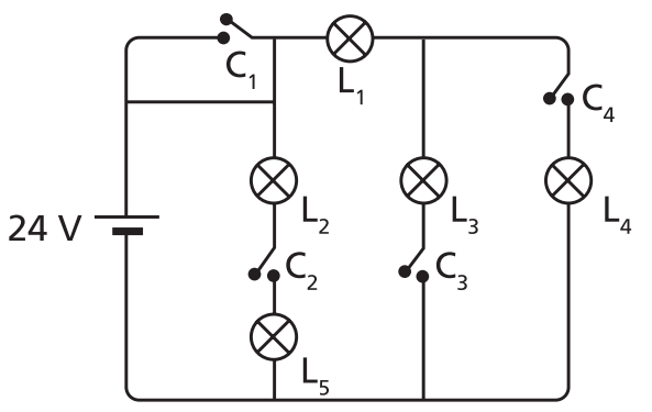
No circuito representado no esquema abaixo, as lâmpadas L1,L2, L3, L4 e L5 são de 6,0 W e 12 V. O gerador de 24 V tem resistência interna desprezível. C1, C2, C3 e C4 são chaves que estão abertas e podem ser fechadas pelo operador. Duas dessas chaves não devem ser fechadas ao mesmo tempo porque causam aumento de tensão em uma das lâmpadas.
Screenshot_1.png (30.97 KiB) Exibido 1961 vezes
Essas duas chaves são:
a) C1 e C2
b) C3 e C4
c) C2 e C4
d) C2 e C3
e) C1 e C3
Primeiramente, é preciso ter em mente que o aumento da tensão se dará quando uma lâmpada estiver em paralelo e submetida a corrente total, sem divisões. Podemos encontrar a resistência de cada lâmpada:
[tex3]P = \frac{U^2}{R}[/tex3]
[tex3]R= \frac{U^2}{P}[/tex3]
[tex3]R= \frac{12 \cdot 12}{6} = 24 \Omega[/tex3]
A corrente que cada lâmpada pode receber:
[tex3]i = \frac{P}{U}[/tex3]
[tex3]i = 0,5[/tex3]
Agora, podemos analisar as alternativas:
[tex3]a) \; \; C_1[/tex3] e [tex3]C_2[/tex3]
[tex3]R_{eq}=48 \Omega[/tex3]
[tex3]U=R_{eq} \cdot i \Rightarrow i=0,5[A][/tex3]
Cada lâmpada está consumindo [tex3]12V.[/tex3] Portanto, não houve aumento de tensão.
[tex3]b) \; \; C_3[/tex3] e [tex3]C_4[/tex3]
[tex3]R_{eq}=36 \Omega[/tex3]
[tex3]U=R_{eq} \cdot i \Rightarrow i =\frac{2}{3}[A][/tex3]
A corrente que passa na lâmpada [tex3]1[/tex3] é [tex3]i,[/tex3] com isso, ela está recebendo mais corrente do que o limite. Portanto, há aumento de tensão em [tex3]L_1.[/tex3]
[tex3]c) \; \; C_2[/tex3] e [tex3]C_4[/tex3]
[tex3]R_{eq}=24 \Omega[/tex3]
[tex3]U=R_{eq} \cdot i \Rightarrow i=1[A][/tex3]
A corrente se divide igualmente, sendo [tex3]0,5A[/tex3] para cada ramo da divisão. Portanto, não houve aumento de tensão.
[tex3]d) \; \; C_2[/tex3] e [tex3]C_3[/tex3]
Análogo ao item anterior.
[tex3]e) \; \; C_1[/tex3] e [tex3]C_3[/tex3]
[tex3]R_{eq}=48 \Omega[/tex3]
[tex3]U=R_{eq} \cdot i \Rightarrow i=0,5[A][/tex3]
Cada lâmpada está consumindo [tex3]12V.[/tex3] Portanto, não houve aumento de tensão.
Boa noite pessoal, não consigo achar a resistência equivalente desse circuito, não consigo ligar os pontos que tem o mesmo potencial. Tem que ter imaginação de como que vai ficar esse circuito com os pontos ligados, assim fica praticamente...
Observe inicialmente que os resisores de 4 ohms e 6 ohms (no triãng.) estão em paralelo! Nos desenhos que seguem o resistores verdes estão em série e os resistores vermelhos em paralelo
Uma luminária cujo peso é P está suspensa por duas cordas AC e BC que (conforme a figura ao lado) formam com a horizontal ângulos iguais a ?. Determine a força de tensão T em cada corda. ...
Olá a todos, estou começando a estudar Física III (Eletrecidade) agora, e na questão logo abaixo surgiu uma dúvida, se alguém puder sanar esta dúvida ficarei muito grato.
(U.E.Londrina-PR) Considere as seguintes afirmativas a respeito de um...
imagino que seja pela definiçao de circuito em série
veja, no ponto A [tex3]Qa=nA.e[/tex3]
onde nA é o numero de elétrons que passa por A
no ponto B [tex3]Qb=nB.e[/tex3]
como a corrente é a mesma, temos que nA=nB e a carga entre os dois é igual,...