
- Sem título.png (20.46 KiB) Exibido 1576 vezes
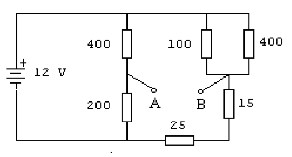
Olá, percebe que no final , haverá dois resistores , um de 600 ohm e o outro de 120 ohm , como eles estao em paralelos , pela lei de ohm , a corrente que passará no resistor de 120 será cinco vezes maior que a corrente que passará no outro resistor.
Percebe-se que no circuito anterior , as resistencias que chegam até A e B tambem sao de 5 para 1, ou seja, por simetria, os potencias de A e B serão iguais.
Para ficar mais claro, vamos fazer os calculos:
Considere o ponto C em cima do ponto , que tambem passa por cima de B, pois é um fio liso.
Pela lei de ohm:
Vc-Va= 400 Ia
Vc-Vb = 80 Ib
Dividindo uma pela outra e sabendo que Ib= 5Ia , temos:
Vc-Va = Vc - Vb
Va=Vb