Olá:

- Sem título.png (35.42 KiB) Exibido 3833 vezes
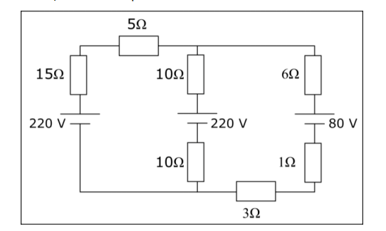
Faz o seguinte:
Adote duas correntes (azul e verde) e adote os sentidos.
Sempre partindo de um ponto e dando uma volta na malha até chegar no mesmo ponto inicial. Lembrando que se você caminhar no sentido da corrente , ao passar em um resistor , voce subtrai e sempre que voce caminha do menor polo para o maior polo em uma bateria, voce soma.
Esquerda (comece em A e caminhe no mesmo sentido da corrente.
[tex3]220-15i_{1}-5i_1[/tex3]
Quando voce chega no caminho central , perceba que as duas correntes passam nos mesmos resistores (10 ohm e 10 ohm), ou seja voce incluir tambem a corrente azul (2) , de modo que como esta corrente está contraria ao sentido do seu percurso, devemos somá-las.
[tex3]220-15i_{1}-5i_1-10i_1-220V-10i_1+{\color{blue}20i_2}[/tex3]
Finalizando , nao passaremos mais por nenhuma resistencia e bateria. Logo , pela lei das malhas , a soma final será zero.
[tex3]220V-15i_{1}-5i_1-10i_1-220V-10i_1+{\color{blue}20i_2}={\color{blue}20i_2}-40i_1=0[/tex3]
Analogamente para a malhar da direita , agora saindo do ponto B e caminhando no mesmo sentido da corrente azul:
[tex3]-3i_{2}-20i_2+220V+{\color{green}20i_1}-6i_2-1i_2-80V={\color{green}20i_1}+140V-30i_2=0[/tex3]
Pronto , agora é só montar o sistema e encontrar as correntes. Caso uma resulte negativo , é porque o sentido dela é contrario ao que voce adotou no inicio.
Caso queira que eu resolva algum item , só avisar.
