• 🔴 [ENEM 2025 PPL Live 06] Matemática - Resolução de 161 até 165
  • 🔴 [ENEM 2025 PPL Live 05] Matemática - Resolução de 156 até 160
  • 🔴 [ENEM 2025 PPL Live 04] Matemática - Resolução de 151 até 155
  • 🔴 [ENEM 2025 PPL Live 03] Matemática - Resolução de 146 até 150
  • 🔴 [ENEM 2025 PPL Live 02] Matemática - Resolução de 141 até 145
  • 🔴 [ENEM 2025 PPL Live 01] Matemática - Resolução de 136 até 140

IME/ITA(PSAEAM - 2009) Roldana e Alavanca Tópico resolvido

Aqui deverão ser postadas questões desses vestibulares e de outras instituições militares (EN, CN, EsPCEx etc.).
Avatar do usuário
venancio Offline
Pleno
Mensagens: 58
Registrado em: 23 Nov 2012, 15:59
Agradeceu: 51 vezes
Mar 2013 30 16:09

(PSAEAM - 2009) Roldana e Alavanca

Mensagem por venancio »

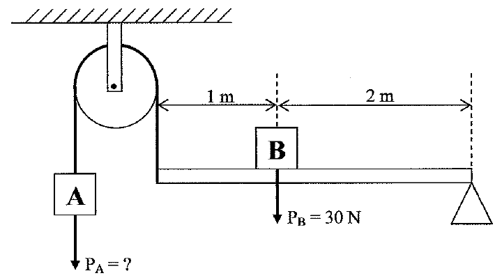
O sistema em equilíbrio mostrado na figura abaixo representa a assoaciação entre uma roldana e uma alavanca .
newton.png
newton.png (11.36 KiB) Exibido 2947 vezes
Determine em Newtons, o peso do corpo A.

a) 20
b) 30
c) 40
d) 50
e) 60

Resposta

A
Editado pela última vez por venancio em 30 Mar 2013, 16:09, em um total de 1 vez.
O mais importante de tudo é nunca deixar de se perguntar. A curiosidade tem sua própria razão de existir.
Avatar do usuário
felps Offline
3 - Destaque
Mensagens: 847
Registrado em: 08 Dez 2011, 18:25
Agradeceu: 277 vezes
Agradeceram: 191 vezes
Mar 2013 30 16:49

Re: (PSAEAM - 2009) Roldana e Alavanca

Mensagem por felps »

Olá,

Podemos considerar que o corpo [tex3]A[/tex3] está preso na ponta da alavanca, pois essa roldana não dá diferença alguma no peso final do corpo A.

Pela lei do torque:

[tex3]3A = 2B[/tex3]
[tex3]3A = 60[/tex3]
[tex3]A = 20N[/tex3]

Abraço!
Editado pela última vez por caju em 21 Mar 2025, 13:30, em um total de 2 vezes.
Razão: tex --> tex3
"É melhor lançar-se à luta em busca do triunfo,mesmo expondo-se ao insucesso,do que ficar na fila dos pobres de espírito,que nem gozam muito nem sofrem muito,por viverem nessa penumbra cinzenta de não conhecer vitória e nem derrota" F. Roosevelt
Responder
  • Tópicos Semelhantes
    Resp.
    Exibições
    Últ. msg

Voltar para “IME/ITA”