Bloqueador de anúncios detectado: Nosso site é possível exibindo anúncios online para nossos visitantes. Por favor, considere nos apoiar desativando seu bloqueador de anúncios em nosso site.
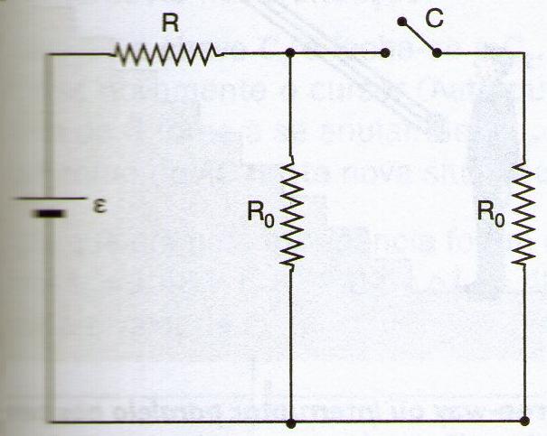
Quando a chave [tex3]C[/tex3] da figura deste problema está aberta, a potência dissipada na resistência [tex3]R_0[/tex3] é [tex3]P[/tex3]. Quando [tex3]C[/tex3] está fechada, a potência total dissipada nos dois resistores [tex3]R_0[/tex3] é ainda [tex3]P[/tex3]. Calcule o valor de [tex3]R[/tex3] em função de [tex3]R_0[/tex3], para o qual esta situação é observada (a resistência interna da bateria é desprezível).
tutorbrasil.JPG (32.19 KiB) Exibido 1180 vezes
Resposta
[tex3]R=\frac{R_0}{\sqrt{2}}[/tex3]
Editado pela última vez por felps em 15 Ago 2012, 14:50, em um total de 1 vez.
"É melhor lançar-se à luta em busca do triunfo,mesmo expondo-se ao insucesso,do que ficar na fila dos pobres de espírito,que nem gozam muito nem sofrem muito,por viverem nessa penumbra cinzenta de não conhecer vitória e nem derrota" F. Roosevelt
Quando a chave [tex3]C[/tex3] está aberta, temos: [tex3]P \, = \, R_{0} \cdot i^{2} \,\,\, (I)[/tex3]
Por Pouillet, temos: [tex3]i \, = \, \frac{\varepsilon}{R \, + \, R_{0}} \,\,\, (II)[/tex3]
Substituindo [tex3](II)[/tex3] em [tex3](I)[/tex3], temos: [tex3]P \, = \, R_{0} \cdot \left(\frac{\varepsilon}{R \, + \, R_{0}}\right)^{2} \,\,\,\,\, (III)[/tex3]
Quando a chave [tex3]C[/tex3] está fechada, temos: [tex3]P \, = \, \frac{R_{0}}{2} \cdot i^{2} \,\,\, \Rightarrow \,\,\, P \, = \, \frac{R_{0}}{2} \cdot \left(\frac{\varepsilon}{R \, + \, \frac{R_{0}}{2}} \right)^{2} \,\,\,\,\, (IV)[/tex3]
Agora, basta igualar [tex3](III)[/tex3] com [tex3](IV)[/tex3]: [tex3]R_{0} \cdot \left(\frac{\varepsilon}{R \, + \, R_{0}}\right)^{2} \, = \, \frac{R_{0}}{2} \cdot \left(\frac{\varepsilon}{R \, + \, \frac{R_{0}}{2}} \right)^{2} \,\,\, \Rightarrow \,\,\, \frac{1}{R \, + \, R_{0}} \, = \, \frac{2}{2 \, R \, + \, R_{0}} \cdot \frac{1}{\sqrt{2}} \\ \\ \\ 2\sqrt{2} \cdot R \, + \, \sqrt{2} \cdot R_{0} \, = \, 2 \cdot R \, + \, 2 \cdot R_{0} \,\,\, \Rightarrow \,\,\, R \, = \, \left(\frac{2 \, - \, \sqrt{2}}{2 \sqrt{2} \, - \, 2}\right) \cdot R_{0}[/tex3]
Racionalizando essa monstruosidade aí, você encontra: [tex3]R \, = \, \frac{\sqrt{2}}{2} \cdot R_{0} \,\,\, \Rightarrow \,\,\, \boxed{\boxed{R \, = \, \frac{R_{0}}{\sqrt{2}}}}[/tex3]
Espero que esteja fácil de assimilar. Qualquer dúvida pode perguntar.
Um abraço!
Editado pela última vez por emanuel9393MOD em 15 Ago 2012, 18:41, em um total de 1 vez.
As modernas teorias científica afirmam que em dentro de 5 bilhões de anos, a humanidade presenciará a morte do sol. Imagine como seria presenciar esse evento...
Na figura deste problema, o motor [tex3]M[/tex3], de f.c.e.m. [tex3]\varepsilon_2[/tex3], é alimentado por uma bateria de f.e.m. [tex3]\varepsilon_1[/tex3]. Observando os dados fornecidos na figura e que a bateria de...
Analise o seguinte circuito: Veja que interessante: se você reparar bem, a diferença de potencial entre os pontos [tex3]A[/tex3] e [tex3]C[/tex3] é justamente a tensão lançada no circuito pelo gerador [tex3]E_{1}[/tex3]. Ou seja, só...
A figura deste problema representa um circuito elétrico constituído de três lâmpadas [tex3]L_1, L_2[/tex3] e [tex3]L_3[/tex3], alimentadas por uma bateria de f.e.m. [tex3]\varepsilon =32V[/tex3] e resistência interna...
Observe que a potência total do gerador é de [tex3]128 \,\, W[/tex3]. Mas, como a potência consumida pelas lâmpadas totalizam [tex3]120 \,\, W[/tex3], já podemos determinar a corrente do circuito: r \cdot i^{2} \, = \, 8 \,\,\,...
As resistências mostradas na figura deste problema valem [tex3]R_1 = 6,0 \Omega[/tex3], [tex3]R_2 = 6,0 \Omega[/tex3] e [tex3]R_3 = 3,0\Omega[/tex3]. Determine a corrente que passa em cada uma destas resistências.
Se você marcar os pontos como mesmo potencial elétrico e igualá-los, verás que o circuito pode ser organizado em uma associação em paralelo dos três resistores (se você não entendeu isso, é só falar que farei um desenho...
Dado o circuito apresentado na figura deste problema, determine o valor da resistência [tex3]R[/tex3] do reostato de tal modo que seja nula a voltagem entre os pontos [tex3]A[/tex3] e [tex3]B[/tex3].
Se a tensão entre os pontos [tex3]A[/tex3] é [tex3]B[/tex3] é nula, temos então entre esse pontos um gerador em curto-circuito. Logo, a corrente [tex3]i[/tex3] do sistema: i \, = \, i_{cc} \, = \, \frac{\varepsilon_{1}}{r_{1}}...
Uma bateria, de f.e.m. [tex3]\varepsilon =12V[/tex3] e resistência interna [tex3]r = 20\Omega[/tex3], fornece corrente ao condutor cilíndrico mostrado na figura. Sabendo que a leitura do miliamperímetro é de...