• 🔴 [ENEM 2025 PPL Live 03] Matemática - Resolução de 146 até 150
  • 🔴 [ENEM 2025 PPL Live 02] Matemática - Resolução de 141 até 145
  • 🔴 [ENEM 2025 PPL Live 01] Matemática - Resolução de 136 até 140
  • 🔴 [ENEM 2025 Belém Live 09] Matemática - Resolução de 176 até 180
  • 🔴 [ENEM 2025 Belém Live 08] Matemática - Resolução de 171 até 175
  • 🔴 [ENEM 2025 Belém Live 07] Matemática - Resolução de 166 até 170

Física IResistência de Materiais Tópico resolvido

Mecânica: Estática e Dinâmica
Avatar do usuário
Borracha22 Offline
Pleno
Mensagens: 71
Registrado em: 18 Abr 2013, 14:49
Agradeceu: 1 vez
Agradeceram: 2 vezes
Out 2013 27 01:07

Resistência de Materiais

Mensagem por Borracha22 »

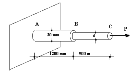
Aplica-se à extremidade C da barra de aço ABC uma carga de [tex3]66,7 \,\,kN[/tex3]. Sabe-se que o módulo de elasticidade longitudinal do aço é de [tex3]2,1\cdot 10^4 \,kN/cm^2[/tex3]. Determinar o diâmetro "[tex3]d[/tex3]" da parte BC para a qual o deslocamento do ponto C seja de [tex3]1,3 \,\,mm[/tex3].
b9g9.png
b9g9.png (15.78 KiB) Exibido 3340 vezes
Resposta

[tex3]21,8 \,\,mm[/tex3]
Editado pela última vez por caju em 09 Set 2024, 15:20, em um total de 3 vezes.
Razão: tex --> tex3
Avatar do usuário
theblackmamba Offline
6 - Doutor
Mensagens: 3723
Registrado em: 23 Ago 2011, 15:43
Localização: São Paulo - SP
Agradeceu: 806 vezes
Agradeceram: 2294 vezes
Out 2013 27 20:55

Re: Resistência de Materiais

Mensagem por theblackmamba »

Primeiramente vamos achar qual será o deslocamento do ponto B. Assim, poderemos saber quanto a parte BC efetivamente se "esticou".

[tex3]E=\frac{\sigma}{\varepsilon}=\frac{F \ell_0}{A\Delta \ell}[/tex3]
[tex3]\Delta \ell =\frac{F\ell_0}{EA}[/tex3]
[tex3]\Delta \ell=\frac{(66700)\cdot (120)}{(2,1\cdot 10^7)\cdot (\pi\cdot 1,5^2)}\,\,\approx\,\,0,0539207\,cm=0,539207\,mm[/tex3]

Logo o deslocamento efetivo da parte BC é [tex3]1,3-0,539207=0,760793\,mm[/tex3]

Da fórmula temos:
[tex3]A=\frac{F\ell_0}{E\Delta \ell}[/tex3]

[tex3]A=\pi r^2=\pi\cdot \frac{d^2}{4}[/tex3], onde [tex3]d=2r[/tex3]

[tex3]d^2=\frac{4F\ell_0}{\pi E\Delta \ell}[/tex3]
[tex3]d=\sqrt{\frac{4\cdot (66700)\cdot (900\cdot 100)}{\pi \cdot (2,1\cdot 10^7)\cdot (0,0760793)}}\,\,\approx\,\,2,18\,cm[/tex3]
[tex3]\boxed{d\,\,\approx\,\,21,8\,mm}[/tex3]

PS.: Não é [tex3]900m[/tex3] e sim [tex3]900mm[/tex3] na imagem.
Utilizei mais casas decimais nos primeiros cálculos para não dar muita diferença no final.

Abraço.
Editado pela última vez por caju em 09 Set 2024, 15:26, em um total de 3 vezes.
Razão: tex --> tex3
"A coisa mais incompreensível do universo é que ele é compreensível"
- Albert Einstein
Avatar do usuário
Borracha22 Offline
Pleno
Mensagens: 71
Registrado em: 18 Abr 2013, 14:49
Agradeceu: 1 vez
Agradeceram: 2 vezes
Out 2013 28 02:54

Re: Resistência de Materiais

Mensagem por Borracha22 »

Valeu mesmo cara! A minha professora de mecânica é horrível, to tentando juntar alguns exemplos de questões resolvidas pra conseguir aprender alguma coisa.
Responder
  • Tópicos Semelhantes
    Resp.
    Exibições
    Últ. msg

Voltar para “Física I”