Falaa Vito,
essa questão parece estranha mas é bem simples na verdade :
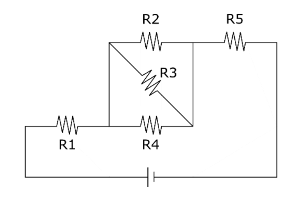
se você ajeitar o R3 pararelo ao R2 e o R4, vai perceber que esses 3 estão em pararelo, e o conjunto equivalente dos 3 está em série com R1 e R5.
Como o exercício pergunta praticamente tudo,
acho bacana calcular a resistência equivalente e a corrente do circuito (I) e depois ir desenvolvendo conforme o que as somatórias pedem;
por afirmativa :
01) calcula a tensão que vai chegar em R3 (que é a mesma que em R4/R2, por estarem em série), subtraindo a tensão fornecida (17,6 Volts) pelo que é perdido em R1
02) em R1, a corrente vai ser a total do circuito
(I)
04) a potência total pode ser achada com P=VxI (sendo a tensão e corrente totais do circuito já encontradas - tensão é a fornecida pelo enunciado e a corrente é a que achamos em
(I)
08) a corrente em R2 vai ser a tensão achada na 01) dividida pela Resistência de R2 (já que V=RxI ------> R=V/I)
16) essa aqui a gente também achou em
(I)
tenta desenvolver o exercício, qualquer dúvida é só falar
noizz
